One unit = double-protection! Bidirectional-wiring RCBO builds a new line of defense for power distribution safety

1.Functional Features of Bi-Directional RCBO EKL37H-40
(1) Compliance with British Electrical Standards
►Standards: BS EN 61009-1 (International Standard)
BS: British Standard (UK National Standard)
EN: European Norm (European Standard)
61009-1: International Electrotechnical Commission (IEC) Standard Number
►Installation Regulations: BS 7671 (IET Wiring Regulations)
The RCBO is suitable for all final circuits requiring simultaneous overcurrent protection and residual current protection, particularly in:
Residential, commercial, and industrial electrical installations
Locations with high-sensitivity protection requirements (e.g., bathrooms, swimming pools)
Applications where shared RCDs across multiple circuits must be avoided to prevent nuisance tripping
(2)Three-Phase Four-Wire Integrated Protection
►Earth Leakage Protection (RCD)
It can detect leakage currents of 30mA, 100mA, and 300mA for both forward and reverse currents. When the leakage current exceeds the rated value (30mA is used for personal protection, and 100mA/300mA are used for equipment fire prevention), the circuit will be quickly cut off (the action time is ≤ 0.1s). It supports AC type (AC leakage current) or A type (AC + pulsating DC leakage current).
►Overcurrent Protection (MCB)
It provides short-circuit and overload protection, and can quickly interrupt high fault currents in both directions. The breaking capacity is as follows: EKL37-40: 6kA; EKL37-40H: 10kA. The rated current ranges from 6A to 40A, and the tripping curves can be selected as type B (low inrush current) or type C (high inrush current).
►Neutral Wire (N) Protection
Overload/Short-circuit Protection of the Neutral Wire: Some high-end RCBOs can detect faults in the N wire (traditional RCDs do not provide protection for the N wire).
Forced Disconnection of the Neutral Wire: When tripping, it cuts off L1/L2/L3 + N simultaneously to avoid the risk of the neutral wire being charged.
(3) Wiring Method and Design
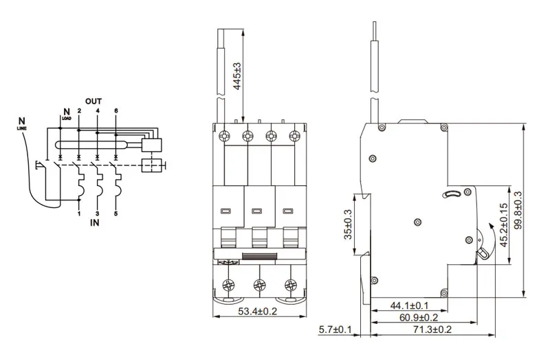
►4-pole (3P+N) Wiring
Both the three-phase live wires and the neutral wire need to be connected. The neutral wire must pass through the RCBO (it cannot be bypassed).
When tripping, all phase wires and the neutral wire are cut off simultaneously to ensure complete isolation of the fault.
►Modular Structure:
It occupies 3 modules (54mm) in the distribution box, which saves more space compared to installing an “RCD + MCB” separately.
(4) High Compatibility and Selectivity
►Compatible with British-style distribution boxes
It is compatible with mainstream brands (such as MK, Hager, Wylex, BG Electrical).
It can replace old fuses or upgrade existing MCB circuits.
►Selective Protection:
It achieves selective tripping, and only the faulty circuit trips, avoiding power outages of the entire distribution box (compared with the global RCD), and reducing the power outage scope.

2.Selection Guide for Bi-Directional RCBO EKL37H-40
(1)Rated Current (In)
The formula for three-phase load current: 
(P: Power, V: Line voltage 400V, : Power factor, usually taken as 0.8 to 0.9)
Selection rule: The rated current of the RCBO ≥ 1.25 times the calculated load current.
(2) Residual Current Protection Parameters
- Operating Current
- 30mA 100mA 300mA
Personal safety protection Equipment fire prevention protection System-level protection
- 30mA 100mA 300mA
- Types of Leakage Current
-
Type AC Traditional resistive loads (electric kettles, incandescent lamps)
Old-fashioned electric motors (without variable frequency control)
Basic lighting systemsType A Variable frequency equipment (air conditioners, elevators)
Switching power supplies (LED drivers, personal computers)
Medical equipment (X-ray machines)
Output terminals of photovoltaic inverters
Electric vehicle charging piles
-
(3) Tripping Curves (Type B/C)
Curve Tripping Range Typical Application Scenarios Applicable Loads
Type B 3~5×In Residential buildings, offices (with low impulse current) Resistive loads (lighting fixtures, sockets)
Type C 5~10×In Commercial and industrial areas (with medium impulse current) Inductive loads (motors, transformers)
3.Competitive Advantages of Bi-Directional RCBO EKL37H-40
(1) Authoritative Certifications
This product strictly adheres to the international safety certification system and has passed three international authoritative certifications, namely CB, CE, and UKCA. It fully complies with international standards such as IEC 61009, EN 61009, and BS EN 61009. These certifications not only ensure that the product meets the latest requirements of the British BS 7671 Electrical Installation Code, but also fully comply with the EU CE LVD Directive (2014/35/EU) and the UK UKSI 2016 No.1101 Electrical Equipment Safety Regulations. This enables the product to legally enter the UK, the EU, and major global markets.
(2) Independent Production and Quality Assurance
It has a modern self-owned production base and implements a full-process vertical integration production system from raw materials to finished products, ensuring the excellent consistency and long-term reliability of product quality. The factory is equipped with industry-leading intelligent manufacturing equipment and precision testing instruments, and has established a complete quality control system to provide comprehensive guarantee for product performance.
(3) Complete British-style Power Distribution Solutions
It can provide complete electrical power distribution solutions. Not only does it produce high-quality RCBO products, but it also supplies a full range of British-standard distribution boxes and surrounding accessories, creating a truly one-stop procurement experience for customers. Our product ecosystem has been carefully designed to ensure the perfect compatibility and system integration among various components.
(4) Customized Services (OEM)
It provides comprehensive OEM branding services to create highly customized brand solutions for customers, helping enterprises quickly establish a differentiated market competitive advantage. Our OEM services cover the customization of the entire value chain from products to packaging, meeting the brand strategy needs of various customers and flexibly adapting to various markets.
(5) Wide Temperature Adaptability
It is made of special weather-resistant materials and precise craftsmanship, with an operating temperature range covering from -25°C to +40°C, and can perfectly adapt to various extreme climatic conditions. The product has passed strict temperature cycle tests. It can still maintain sensitive tripping in the extremely cold environment of -25°C and can also operate stably under the high-temperature condition of 40°C. It can maintain its excellent and stable performance under various harsh environments.
(6) After-sales Guarantee
We provide comprehensive professional after-sales services to ensure that customers can use our products without worries, enhance the trust in long-term cooperation, and make professional services the second line of defense for your electrical safety. We are always on standby.
4.Technical Specifications and Circuit Dimensions for Bi-Directional RCBO EKL37H-40
-
Technical Data
- Standard IEC/EN61009-1
Protection Ground fault, Overcurrent and short circuit, Over-voltage(selectable)
Type of trip Ground fault : Electronic
Overload and short circuit :Thermo-magnetic
Type of protection (electric leakage) AC,A
No.of poles 3P+N, compact 3 modules 54mm width
Rated voltage (Ue) 400/415V~
Rated currents (In) 6,10,16,20,25,32,40A
Rated sensitivity currents (I△n) 10,30,100,300mA
Residual current off-time under (I△n) ≤ 0.1s
Rated residual making and breaking capacity (I△m) 500A(In≤50A), 10In(In>50A)
Rated frequency 50/60Hz
Rated breaking capacity EKL37-40: 6,000A; EKL37-40H: 10,000A
Energy Limiting Class 3
Rated impulse withstand voltage(1.2/50) (Uimp) 4,000V
Dielectric test voltage at Ind. Freq.for 1 min 2kV
Thermal release characteristic (1.13-1.45) x In
Magnetic release characteristic B: (3-5) x In, C: (5-10) x In
Electrical life 4,000 Cycles
Mechanical life 10,000 Cycles
Contact position indicator Yes
Protection degree IP20
Ambient temperature -25℃ to +40℃, Max.95% humidity
Terminal connection type Cable/Pin-type busbar/Fork-type busbar
Max.terminal size for cable 16mm²
Max.tightening torque 2.5N.m
Installation Mounting on 35mm DIN rail
- Standard IEC/EN61009-1
-
Dimensions
- Circuit Diagram and Dimensions

5.Installation and Wiring Precautions for Bi-Directional RCBO EKL37H-40
- The neutral wire must be connected:
- The N terminal of the 3P+N RCBO needs to be connected independently and cannot be shared with other circuits.
- Three-phase balance check:
- The current deviation of each phase should be ≤ 15%. Otherwise, it may lead to false tripping.
- Test verification:
- Use the “T” test button to simulate leakage current to ensure that the tripping function is normal.
- Earthing requirements:
- The PE wire (ground wire) is directly connected to the grounding bus-bar of the distribution box without passing through the RCBO.




















