1 unit = Dual protection! The RCBO with bidirectional wiring fortifies the new safety line of power distribution

Publish Time: Author: ETEK ElectricVisit: 33

 

1.Functional Features of the RCBO EKL37H-40 with Bidirectional Wiring

(1)Compliant with British electrical standards

► Standards: BS EN 61009-1 (International Standard)
BS: British Standard
EN: European Norm
61009-1: Standard number of the International Electrotechnical Commission (IEC)
► Installation Specification: BS 7671 (IET Wiring Regulations)
The RCBO is applicable to all terminal circuits that require both overcurrent protection and residual current protection simultaneously, especially:
Residential, commercial and industrial electrical installations
Places with high-sensitivity protection requirements (such as bathrooms, swimming pools)
Situations where it is necessary to avoid mis-tripping caused by multiple circuits sharing an RCD

(2)Three – phase four – wire integrated protection

► Residual Current Protection (RCD)
It can detect residual currents of 30mA/100mA/300mA for both forward and reverse currents. When the residual current exceeds the rated value (30mA is for personal protection, and 100mA/300mA is for equipment fire prevention), it will quickly cut off the circuit (action time ≤ 0.1s). It supports Type AC (AC residual current) or Type A (AC + pulsating DC residual current).
► Overcurrent Protection (MCB)
It provides short-circuit and overload protection. It can quickly interrupt high fault currents in both directions. The breaking capacity is EKL37-40: 6kA; EKL37-40H: 10kA; The rated current ranges from 6A to 40A, and the trip curve can be selected as Type B (low inrush current) or Type C curve (high inrush current).
► Neutral Wire (N) Protection
Overload/short-circuit protection of the neutral wire: Some high-end RCBOs can detect N wire faults (traditional RCDs do not protect the N wire).
Forced disconnection of the neutral wire: When tripping, it will cut off L1/L2/L3+N synchronously to avoid the risk of the neutral wire being live.

(3) Wiring Method and Design

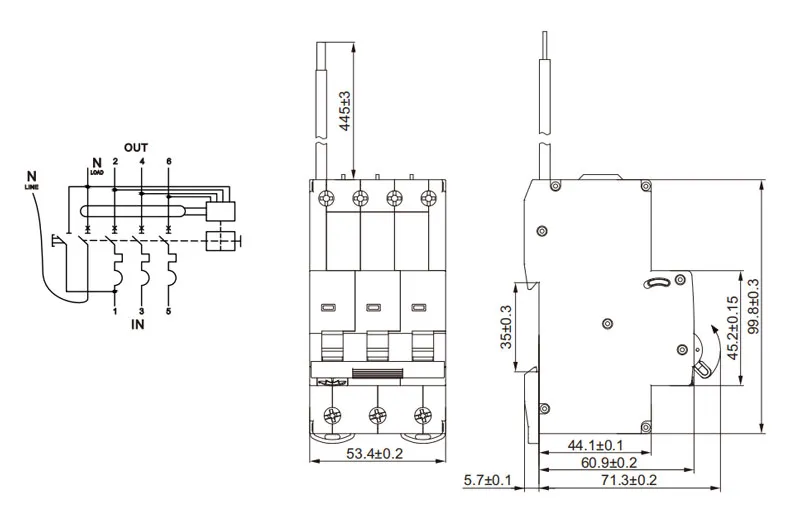
► 4-pole (3P+N) Wiring
All three-phase live wires and the neutral wire need to be connected. The neutral wire must pass through the RCBO (it cannot be bypassed).

When tripping, all phase wires and the neutral wire are cut off synchronously to ensure complete isolation of the fault.
► Modular Structure:
It occupies 3 modules (54mm) in the power distribution box, saving more space compared with the separate installation of “RCD+MCB”.

(4) High Compatibility and Selectivity

► Compatible with British-style power distribution boxes
It is compatible with mainstream brands (such as MK, Hager, Wylex, BG Electrical).
It can replace old fuses or upgrade existing MCB circuits.
► Selective Protection:It achieves selective tripping, tripping only the faulty circuit, avoiding power outage of the entire power distribution box (compared with the global RCD), and reducing the scope of power outage.

 

2. Selection of the RCBO EKL37H-40 with Bidirectional Wiring

(1) Rated current (In)

The formula for three-phase load current:
(P: Power; V: Line voltage of 400V; cosφ: Power factor, usually taken as 0.8 to 0.9)
Selection rule: The rated current of the RCBO ≥ 1.25 times the calculated load current.

(2) Residual Current Protection Parameters

♦Operating current

30mA 100mA 300mA
Personal safety protection Equipment fire protection System – level protection

♦漏电类型

Type AC Traditional resistive loads (electric kettles, incandescent lamps)
Old – fashioned motors (without frequency – conversion control)
Basic lighting system
Frequency – conversion equipment (air conditioners, elevators)
Type A Switching power supplies (LED drivers, PCs)
Medical equipment (X – ray machines)
Output terminal of photovoltaic inverter
Charging piles for electric vehicles

(3)脱扣曲线(B/C型)

Curve Tripping Range Typical Application Scenarios Applicable Loads
Type B 3~5×In Residential areas, offices (with low inrush current) Resistive loads (lighting fixtures, sockets)
Type C 5~10×In Commercial and industrial places (with medium inrush current) Inductive loads (motors, transformers)

 

3. Advantages of the RCBO EKL37H-40 with Bidirectional Wiring

 

(1) Authoritative Certification

This product strictly follows the international safety certification system and has passed three international authoritative certifications, namely CB, CE and UKCA. It fully meets the requirements of international standards such as IEC 61009, EN 61009 and BS EN 61009. These certifications not only ensure that the product meets the latest requirements of the British BS 7671 Electrical Installation Code, but also fully comply with the EU CE LVD Directive (2014/35/EU) and the UKSI 2016 No.1101 Electrical Equipment Safety Regulations. This enables the product to legally enter the UK, the European Union and major global markets.

(2) Self-produced, ensuring quality

It has a modern self-owned production base and implements a full-process vertical integration production system from raw materials to finished products, ensuring the excellent consistency and long-term reliability of product quality. The factory is equipped with industry-leading intelligent manufacturing equipment and precision testing instruments, and has established a complete quality control system, providing all-round guarantees for product performance.

(3) Complete British-style power distribution solution

It can provide a complete electrical power distribution solution. Not only does it produce high-quality RCBO products, but it also supplies a full range of British-standard distribution boxes and surrounding accessories as supporting items, creating a truly one-stop purchasing experience for customers. Our product ecosystem has been carefully designed to ensure perfect compatibility and system integration among all components.

(4) Customized Service (OEM)

We provide a full range of OEM branding services to create highly customized brand solutions for customers, helping enterprises quickly establish a differentiated competitive edge in the market. Our OEM services cover the customization of the entire value chain, from products to packaging, meeting the brand strategy needs of various customers and flexibly adapting to different markets.

(5) Wide temperature adaptation capability

It is manufactured using special weather-resistant materials and precise craftsmanship, with an operating temperature range covering from -25°C to +40°C, and it can perfectly adapt to various extreme climatic conditions. The product has passed strict temperature cycle tests. It can still maintain sensitive tripping in the extremely cold environment of -25°C and can also operate stably under the high-temperature working condition of 40°C. It can maintain its excellent and stable performance in all kinds of harsh environments.

(6) After-sales Guarantee

We provide a full range of professional after-sales services to ensure that customers can use our products without any worries, enhancing the trust in long-term cooperation. Let our professional services serve as the second line of defense for your electrical safety. We are always on standby.

 

4. Technical Data and Circuit Dimension Diagram of RCBO EKL37H-40 with Bidirectional Wiring

•Technical Data

Standard IEC/EN61009-1
Protection Ground fault, Overcurrent and short circuit,Over-voltage(selectable)
Type of trip Ground fault : Electronic Overload and short circuit :Thermo-magnetic
Type of protection (electric leakage) AC,A
No.of poles 3P+N, compact 3 modules 54mm width
Rated voltage (Ue) 400/415V~
Rated currents (In) 6,10,16,20,25,32,40A
Rated sensitivity currents (I△n) 10,30,100,300mA
Residual current off-time under (I△n) ≤ 0.1s
Rated residual making and breaking capacity (I△m) 500A(In≤50A), 10In(In>50A)
Rated frequency 50/60Hz
Rated breaking capacity EKL37-40: 6,000A; EKL37-40H: 10,000A
Energy Limiting Class 3
Rated impulse withstand voltage(1.2/50) (Uimp) 4,000V
Dielectric test voltage at Ind. Freq.for 1 min 2kV
Thermal release characteristic (1.13-1.45) x In
Magnetic release characteristic B: (3-5) x In, C: (5-10) x In
Electrical life 4,000 Cycles
Mechanical life 10,000 Cycles
Contact position indicator Yes
Protection degree IP20
Ambient temperature -25℃ to +40℃, Max.95% humidity
Terminal connection type Cable/Pin-type busbar/Fork-type busbar
Max.terminal size for cable 16mm²
Max.tightening torque 2.5N.m
Installation Mounting on 35mm DIN rail

 

•Dimensions

 

Circuit Diagram and Dimensions

 

 

5. Installation and Wiring Precautions for RCBO EKL37H-40 with Bidirectional Wiring

✔ The neutral wire must be connected:

The N terminal of the 3P+N RCBO needs to be independently wired and should not be shared with other circuits.

✔ Three-phase balance check:

The current deviation of each phase should be ≤ 15%. Otherwise, it may lead to false tripping. ✔ Test verification: Use the “T” test button to simulate electric leakage to ensure that the tripping function is normal.

✔ Grounding requirements:

The PE wire (ground wire) should be directly connected to the grounding busbar of the distribution box and should not pass through the RCBO.

Table of Contents