Time relay is an automatic control unit, that can be combined with various other electrical equipment to achieve automatic control of the operating circuit. After a preset time expires, the contact output will be closed or opened, which will enable the terminal electrical equipment to automatically run or stop.
This series of time relay has the advantages of wide operating voltage range, clear workinginstructions, small volume, uniform size, easy installation, etc.
Industrial machinery
lllumination
Manufacturing
HVAC system
Food and agriculture
| Trigger Time Relay | EKR8-5 Series | |
![]() |
![]() |
|
| Technical Data | EKR8-5150 | EKR8-5151 |
| Output Characteristics | Single-period SPDT Output | |
| Rated Current | 5A/16A | |
| Working Voltage | Single Voltage: AC12V, AC24V, AC110V, AC220V, DC12V, DC24V Wide Voltage: AC/DC12-240V |
|
| Time Range | 1S,3S,6S,10S,30S,60S,3M,6M,10M,30M,60M,3H,6H,10H,30H Customized according to clients’ requirements |
|
| Functions | ![]() |
![]() |
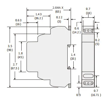
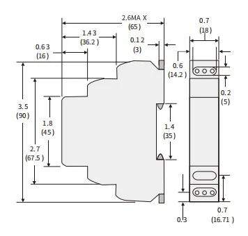
| Dimensions: in(mm) | Wiring Diagrams | |
![]() |
![]() |
|
| Trigger Time Relay | EKR8-5 Series | |
![]() |
![]() |
|
| Technical Data | EKR8-5160 | EKR8-5161 |
| Output Characteristics | Single-period DPDT Output | |
| Rated Current | 5A/16A | |
| Working Voltage | Single Voltage: AC12V, AC24V, AC110V, AC220V, DC12V, DC24V Wide Voltage: AC/DC12-240V |
|
| Time Range | 1S,3S,6S,10S,30S,60S,3M,6M,10M,30M,60M,3H,6H,10H,30H Customized according to clients’ requirements |
|
| Functions | ![]() |
![]() |
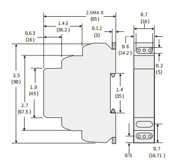
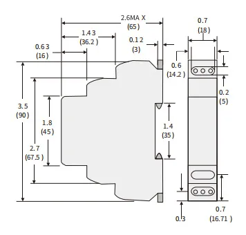
| Dimensions: in(mm) | Wiring Diagrams | |
![]() |
![]() |
|
| Trigger Time Relay | EKR8-5 Series | |
![]() |
||
| Technical Data | EKR8-5250 | EKR8-5251 |
| Output Characteristics | Multi-period SPDT Output | |
| Rated Current | 5A/16A | |
| Working Voltage | Single Voltage: AC12V, AC24V, AC110V, AC220V, DC12V, DC24V Wide Voltage: AC/DC12-240V |
|
| Time Range | 0.1S~10D | |
| Functions | ![]() |
![]() |
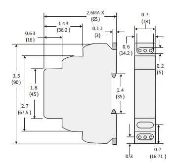
| Dimensions: in(mm) | Wiring Diagrams | |
![]() |
![]() |
|
| Trigger Time Relay | EKR8-5 Series | |
![]() |
||
| Technical Data | EKR8-5260 | EKR8-5261 |
| Output Characteristics | Multi-period DPDT Output | |
| Rated Current | 5A/16A | |
| Working Voltage | Single Voltage: AC12V, AC24V, AC110V, AC220V, DC12V, DC24V Wide Voltage: AC/DC12-240V |
|
| Time Range | 0.1S~10D | |
| Functions | ![]() |
![]() |
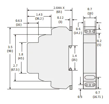
| Dimensions: in(mm) | Wiring Diagrams | |
![]() |
![]() |
|
| Trigger Time Relay | EKR8-5 Series | |
![]() |
![]() |
|
| Technical Data | EKR8-5170 | EKR8-5171 |
| Output Characteristics | Single-period SPDT Output | |
| Rated Current | 5A/16A | |
| Working Voltage | Single Voltage: AC12V, AC24V, AC110V, AC220V, DC12V, DC24V Wide Voltage: AC/DC12-240V |
|
| Time Range | 1S,3S,6S,10S,30S,60S,3M,6M,10M,30M,60M,3H,6H,10H,30H Customized according to clients’ requirements |
|
| Functions | ![]() |
![]() |
| Dimensions: in(mm) | Wiring Diagrams | |
![]() |
![]() |
|
| Trigger Time Relay | EKR8-5 Series | |
![]() |
![]() |
|
| Technical Data | EKR8-5180 | EKR8-5181 |
| Output Characteristics | Single-period DPDT Output | |
| Rated Current | 5A/16A | |
| Working Voltage | Single Voltage: AC12V, AC24V, AC110V, AC220V, DC12V, DC24V Wide Voltage: AC/DC12-240V |
|
| Time Range | 1S,3S,6S,10S,30S,60S,3M,6M,10M,30M,60M,3H,6H,10H,30H Customized according to clients’ requirements |
|
| Functions | ![]() |
![]() |
| Dimensions: in(mm) | Wiring Diagrams | |
![]() |
![]() |
|
| Trigger Time Relay | EKR8-5 Series | |
![]() |
![]() |
|
| Technical Data | EKR8-5270 | EKR8-5271 |
| Output Characteristics | Multi-period SPDT Output | |
| Rated Current | 5A/16A | |
| Working Voltage | Single Voltage: AC12V, AC24V, AC110V, AC220V, DC12V, DC24V Wide Voltage: AC/DC12-240V |
|
| Time Range | 0.1S~10D | |
| Functions | ![]() |
![]() |
| Dimensions: in(mm) | Wiring Diagrams | |
![]() |
![]() |
|
| Trigger Time Relay | EKR8-5 Series | |
![]() |
![]() |
|
| Technical Data | EKR8-5280 | EKR8-5281 |
| Output Characteristics | Multi-period DPDT Output | |
| Rated Current | 5A/16A | |
| Working Voltage | Single Voltage: AC12V, AC24V, AC110V, AC220V, DC12V, DC24V Wide Voltage: AC/DC12-240V |
|
| Time Range | 0.1S~10D | |
| Functions | ![]() |
![]() |
| Dimensions: in(mm) | Wiring Diagrams | |
![]() |
![]() |
|
| Trigger Time Relay | EKR8-5 Series |
![]() |
|
| Technical Data | EKR8-5290 |
| Output Characteristics | Multi-period SPDT Output |
| Rated Current | 5A/16A |
| Working Voltage | Single Voltage: AC12V, AC24V, AC110V, AC220V, DC12V, DC24V Wide Voltage: AC/DC12-240V |
| Time Range | 0.1S~10D |
| Functions | ![]() |
| Dimensions: in(mm) | Wiring Diagrams |
![]() |
![]() |