Time relay is an automatic control unit, which can be combined with various other electrical equipment to realize automatic control of the running circuit. When a preset time is over, the contact output will be closed or opened, so that the terminal electrical equipment can run or stop automatically.
This series of time relay has the advantages of wide operating voltage range, clear workinginstructions, small volume, uniform size, easy installation, etc.
Industrial machinery
lllumination
Manufacturing
HVAC system
Food and agriculture


| Time Relay | EKR8-5 Series | |
![]() |
||
| Technical Data | EKR8-521T | EKR8-522T |
| Output Characteristics | Multi-period SPDT Output | Multi-period DPDT Output |
| Rated Current | 5A/16A | |
| Working Voltage | Single Voltage: AC12V,AC24V,AC110V,AC220V,DC12V,DC24V Wide Voltage: AC/DC12-240V |
|
| Time Range | 0.1S~10D | |
| Functions | ![]() |
![]() |
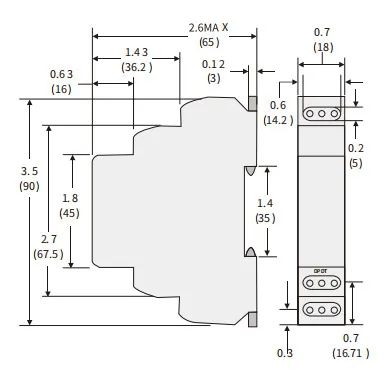
| Dimensions: in(mm) | Wiring Diagrams | |
![]() |
![]() |
![]() |
| Time Relay | EKR8-5 Series | |
![]() |
||
| Technical Data | EKR8-541T | EKR8-542T |
| Output Characteristics | Multi-period Circulation, SPDT | Multi-period Circulation, DPDT |
| Rated Current | 5A/16A | |
| Working Voltage | Single Voltage: AC12V,AC24V,AC110V,AC220V,DC12V,DC24V Wide Voltage: AC/DC12-240V |
|
| Time Range | 0.1S~1D | |
| Functions | ![]() |
![]() |
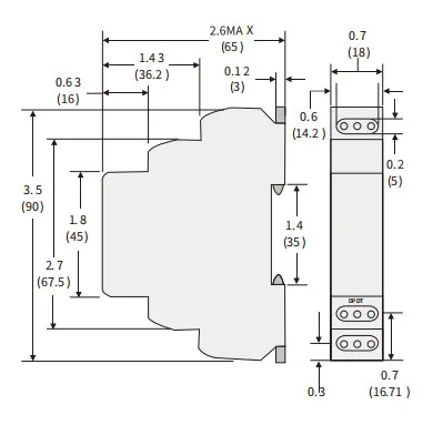
| Dimensions: in(mm) | Wiring Diagrams | |
![]() |
![]() |
![]() |
| Time Relay | EKR8-5 Series | |
![]() |
![]() |
|
| Technical Data | EKR8-5110 | EKR8-5111 |
| Output Characteristics | SPDT (On Delay) | SPDT (Off Delay) |
| Rated Current | 5A/16A | |
| Working Voltage | Single Voltage: AC12V,AC24V,AC110V,AC220V,DC12V,DC24V Wide Voltage: AC/DC12-240V |
|
| Time Range | 1S,3S,6S,10S,30S,60S,3M,6M,10M,30M,60M,3H,6H,10H,30H Customized accordingto clients’ requirements |
|
| Functions | ![]() |
![]() |
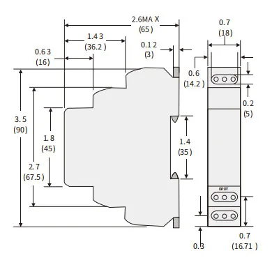
| Dimensions: in(mm) | Wiring Diagrams | |
![]() |
![]() |
|
| Time Relay | EKR8-5 Series | |
![]() |
||
| Technical Data | EKR8-5120 | EKR8-5121 |
| Output Characteristics | DPDT (On Delay) | DPDT (Off Delay) |
| Rated Current | 5A/16A | |
| Working Voltage | Single Voltage: AC12V,AC24V,AC110V,AC220V,DC12V,DC24V Wide Voltage: AC/DC12-240V |
|
| Time Range | 1S,3S,6S,10S,30S,60S,3M,6M,10M,30M,60M,3H,6H,10H,30H Customized accordingto clients’ requirements |
|
| Functions | ![]() |
![]() |
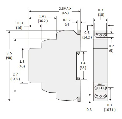
| Dimensions: in(mm) | Wiring Diagrams | |
![]() |
![]() |
|
| Time Relay | EKR8-5 Series |
![]() |
|
| Technical Data | EKR8-5130 |
| Output Characteristics | One Group Inst, One Group Delay, DPDT |
| Rated Current | 5A/16A |
| Working Voltage | Single Voltage: AC12V,AC24V,AC110V,AC220V,DC12V,DC24V Wide Voltage: AC/DC12-240V |
| Time Range | 1S,3S,6S,10S,30S,60S,3M,6M,10M,30M,60M,3H,6H,10H,30H Customized accordingto clients’ requirements |
| Functions | ![]() |
| Dimensions: in(mm) | Wiring Diagrams |
![]() |
![]() |
| Time Relay | EKR8-5 Series | |
![]() |
||
| Technical Data | EKR8-521★ | EKR8-522★ |
| Output Characteristics | Multi-period Time-delay, SPDT | Multi-period Time-delay, DPDT |
| Rated Current | 5A/16A | |
| Working Voltage | Single Voltage: AC12V,AC24V,AC110V,AC220V,DC12V,DC24V Wide Voltage: AC/DC12-240V |
|
| Time Range | ★: A,B,C,D,E A: 1S/10S/1M/10M B: 3S/30S/3M/30M C: 6S/60S/6M/60M D: 1M/10M/1H/10H E: 3M/30M/3H/30H |
|
| Functions | ![]() |
![]() |
| Dimensions: in(mm) | Wiring Diagrams | |
![]() |
![]() |
![]() |
| Time Relay | EKR8-5 Series |
![]() |
|
| Technical Data | EKR8-532★ |
| Output Characteristics | Multi-period, Time-delay, A/B mode can be switched |
| Rated Current | 5A/16A |
| Working Voltage | Single Voltage: AC12V,AC24V,AC110V,AC220V,DC12V,DC24V Wide Voltage: AC/DC12-240V |
| Time Range | ★: A,B,C,D,E A: 1S/10S/1M/10M B: 3S/30S/3M/30M C: 6S/60S/6M/60M D: 1M/10M/1H/10H E: 3M/30M/3H/30H |
| Functions | ![]() |
| Dimensions: in(mm) | Wiring Diagrams |
![]() |
![]() |