EKR8-5 Multi-function Time Relay | 0.1s-99h Timer

EKR8-5 Multi-function Time Relay | 0.1s-99h Timer

Time relay is an automatic control unit, that can be combined with various other electrical equipment to achieve automatic control of the operating circuit. After a preset time expires, the...

Inquire NOW PDF

Product Profile

Multi-function Time Relay

Time relay is an automatic control unit, that can be combined with various other electrical equipment to achieve automatic control of the operating circuit. After a preset time expires, the contact output will be closed or opened, which will enable the terminal electrical equipment to automatically run or stop.

This series of time relay has the advantages of wide operating voltage range, clear workinginstructions, small volume, uniform size, easy installation, etc.

 

Application

Industrial machinery

lllumination

Manufacturing

HVAC system

Food and agriculture

 

Technical Data

Multi-function Time Relay EKR8-5 Series
Output Characteristics EKR8-531T
Output Characteristics SPDT
Contact Material Silver Alloy
Current Rating 16A@240VAC, 24VDC
Minimum Switching Requirement 100mA
Input Characteristics  
Voltage Range 12-240VAC/DC
Contact Material Silver Alloy
Operating Range(% of Nominal) 85%-110%
Timing Characteristics  
Functions Available 10
Time Scales 10
Time Ranges 0.1s~10D
Minimum Switching Requirement 100mA
Tolerance(Mechanical Setting) 5%
Reset Time 150ms
Trigger Pulse Length(Minimum) 50ms
Environment  
Ambient Temperature around the device Storage: -30℃~+70℃℃ (-22℉~ +158℉)
Operation: -20℃~+55°℃ (-4℉~ +131℉)

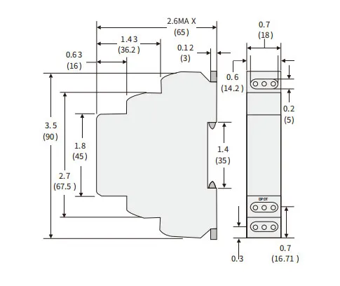
Dimensions

Dimensions: in(mm) Wiring Diagrams

 

Function Operation Timing Chart
A
On Delay Power on
When the input voltage U is applied, timing delay t begins.
Relay contacts R change state after time delay is complete.
Contacts R return to their shelf state when input voltage U is removed.
Trigger switch is not used in this function.
B
Repeat Cycle Starting Off

When the input voltage U is applied, timing delay t begins.

When time delay t is complete, relay contacts R change state for time delay t.

This cycle will repeat until input voltage U is removed.

Trigger switch is not used in this function.

C
Interval Power On

When input voltage U is applied, relay contacts R change state

Immediately and timing cycle begins. When time delay is complete,

contacts return to shelf state, When input voltage U is removed,

contacts will also return to their state.

Trigger switch is not used in this function.

D
Off Delay S Break

Input voltage U must be applied continuously.

When trigger S is closed. relay contacts R change state.

When trigger S is opened, delay t begins.

When delay t is complete, contacts R return to their shelf state.

lf trigger S is closed before time delay t is complete,

then time is reset. When trigger S is opened, the delay begins again,

and relay contacts remain in their energized state,

if input voltage U is removed, relay contacts R return to their shelf state.

E
Retriggerable One Shot

Upon application ofinput voltage U,

the relay is ready to accept trigger signal S.

upon application of the trigger signal S,

the relay contacts R transfer and the preset time t begins.

At the end of the preset time t, the relay contacts R return

to their normal condition unless the trigger signal S is opened

and closed prior to time out t (before preset time elapses).

Continuous cycling of the trigger signal S at a rate faster than

the preset time will cause the relay contacts R to remain closed.

lf input voltage U is removed, relay contacts R return to their shelf state.

F
Repeat Cycle Starting ON

When input voltage U is applied, relay contacts R

change state immediately and time delay t begins.

When time delay t is complete, contacts return to

their shelf state for time delay t.

This cycle will repeat until input voltage U is removed.

Trigger switch is not used in this function.

G
Pulse Generator

Upon application ofinput voltage U ,a single output

pulse of 0.5 seconds is delivered to relay offer time delay t.

Power must be removed and reapplied to repeat pulse.

Trigger switch S is not used in this function.

H
One Shot

Upon application of input voltage U ,

the relay is ready to accept trigger signal S.

Upon application of the trigger signal S,

the relay contacts R trasher and the preset time t begins.

During time-out, the trigger signal S is ignored.

The relay resets by applying the trigger signal S

when the relay is not energized.

I
On/off Delay
S Make/Break

Input voltage U must be applied continuously.

When trigger S is closed, time delay t begins.

When time delay t is complete, relay contacts R

change state and remain transferred until trigger S

is opened. lf input voltage U is removed,

relay contacts R return to their shelf state.

J
Memory Latch S Make

Input voltage U must be applied continuously.

Output changes state with every trigger S closure.

lf input voltage U is removed,

relay contacts R return to their shelfsate.

 

Relay Contact 16A Load
AC1 AC2 AC1 5 DC1(24/110/220V)
AgNi 100W         4000V A 0.9k W 750VA 16A/0.5A/0.35A