Voltage: 240/415V AC systems (50/60Hz)
Current range: 16A to 100A
Rated residual current: 30, 100, 300mA
Breaking capacity: 10kA
Protects against leakage faults
Electro-magnetic type
B+ type
Bidirectional wiring capability
Ground fault indication
RCCB according to lEC/EN 61008-1, VDE 0064-400
EKL6-100B+ Type B+ Residual Current Circuit Breaker (RCCB) suitable for 230/240V (1P+N) or 400/415V (3P+N) power systems, with a rated current up to 100A. Designed to detect AC leakage currents, pulsating DC leakage currents, smooth DC leakage currents, composite waveform leakage currents, and high-frequency leakage currents up to 20 kHz with a maximum tripping threshold of 420 mA. The switches therefore provide better fire protection.


![]() |
Type AC RCDs detect slowly increasing sinusoidal AC residual currents. |
![]() |
Type A RCDs detect AC leakage currents and pulsed DC leakage currents below 6mA. |
![]() |
Type B+ RCDs detect all types of residual current – AC, DC, mixed, and smooth – at frequencies up to 20kHz and trip at a kHz maximum of 420mA, offering superior fire protection. |
| 30mA | This is the most commonly used protection level in homes and commercial buildings, and is suitable for socket protection in general residential environments, offices and commercial places. |
| 100mA | Usually used in situations where personal protection requirements are not as strict as 30mA, or for equipment protection, such as air conditioning systems, industrial equipment, etc. |
| 300mA | Mainly used for fire protection, such as distribution boards and general protection of large electrical equipment. |
Type B RCDs – Standard values of break time and non-actuating time for residual direct currents which result from rectifying circuits and for
residual smooth direct current.
| Tripping times | |||||
| Type | Fault currents | Tripping time at | |||
| Alternating currents | 1×IΔn | 2×IΔn | 5×IΔn | 500A | |
| Pulsating DC currents | 1.4×IΔn | 2×1.4×IΔn | 5×1.4×IΔn | 500A | |
| Smooth DC currents | 2×IΔn | 2×2×IΔn | 5×2×IΔn | 500A | |
| Standard | Max. 0.3s | Max. 0.15s | Max. 0.04s | Max. 0.04s | |
Type B RCDs – Residual non-operating and operating current according to frequencies which differ from the rated frequency 50/60 Hz
| Frequency (Hz) | Residual non-operating current (IΔn) | Residual operating current (IΔn) |
| 150 | 0.5 IΔn | 2.4 IΔn |
| 400 | 0.5 IΔn | 6 IΔn |
| 1000 | IΔn | 14 IΔn |

| Rated current In (A) | Cross section area s (mm²) | Tightening torque (N.m) |
| 16 | 2.5 | 2.5 |
| 25 | 4 | 2.5 |
| 32 | 6 | 2.5 |
| 40 | 10 | 2.5 |
| 63 | 16 | 2.5 |
| 80 | 25 | 2.5 |
| 100 | 35 | 2.5 |
| Standard | IEC/EN 61008-1,VDE 0064-400 |
| Protection | Ground fault |
| Type of trip | Thermo-magnetic |
| Residual current type | B+ Type – residual AC, pulsating and smooth DC current, high frequency (≤20kHz) |
| Time characteristic | Insensitivity |
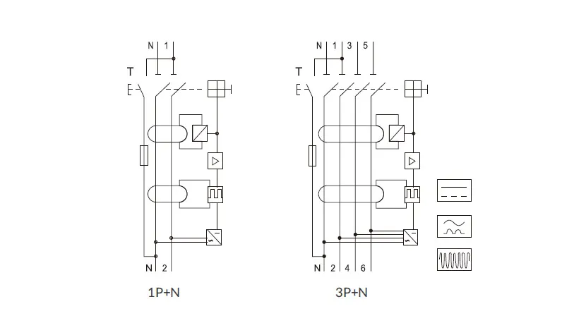
| No. of poles | 1P+N,/3P+N |
| Neutral | Switched, N pole on the left |
| Insulation voltage (Ui) | 500V |
| Rated voltage (Ue) | 1P+N: 230/240V~; 3P+N: 400/415V~ |
| Rated currents (In) | 1P+N: 16, 25, 40, 63A ,80, 100A (3 modules); 3P+N: 16, 25, 40, 63, 80, 100A |
| Rated sensitivity currents (IΔn) | 30,100,300mA |
| Residual current off-time under (IΔn) | ≤0.1s |
| Rated residual making and breaking capacity (IΔm) | 500A (In≤50A), 10In (In>50A) |
| Rated frequency | 50/6OHz |
| Rated short-circuit capacity (Icn) | 10kA |
| Rated conditional residual short-circuit current (IΔc) | 10kA |
| Rated impulse withstand voltage (Uimp) (1.2/5Ous) | 4kV |
| Dielectric test voltage | 2kV (50/60Hz,1 min.) |
| Fire resistance (glow-wire test) | 960±15℃ (Enclosure), 650±10℃ (Handle) |
| Electrical life | 2,000 Cycles |
| Mechanical life | 4,000 Cycles |
| Contact position indicator | green OFF/ red ON |
| Ground fault indicator | White: Normal; Red: Leakage fault |
| Protection degree | IP20 |
| Ambient temperature | -25℃~ +40℃ |
| Storage temperature | -30℃~ +70℃ |
| Terminal connection type | Cable/ Pin-type/ Fork-type busbar |
| Max. terminal size for cable | 35mm² |
| Max. tightening torque | 2.5N.m |
| Installation | Mounting on 35mm DIN rail |
| Incoming method | Bi-directional |

