EKM2-63M 3kA Minidisjuntor(Miniaturer Circuit Breaker)
Inquire
| Standard | IEC/EN61009-1 |
| Protection | Ground fault, Overcurrent and short circuit, Over-voltage(selectable) |
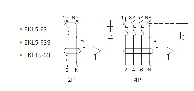
| Type of trip | Ground fault : Electronic |
| Overload and short circuit :Thermo-magnetic | |
| Type of protection (electric leakage) | AC,A,S |
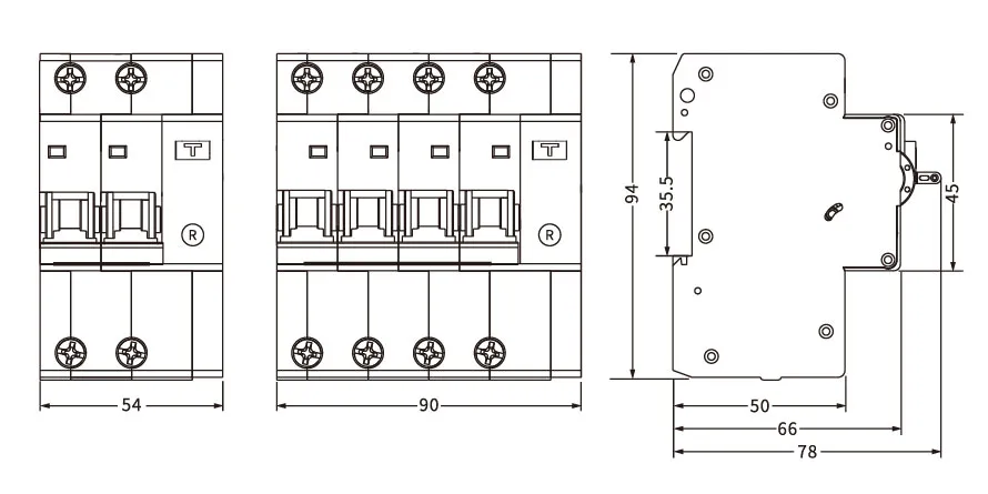
| No.of poles | 1P+N 3module , 3P+N 5module, N line with disconnected |
| Rated currents (In) | 6,10,16,20,25,32,40,50,63A |
| Rated sensitivity currents I△n | 10,30,100,300mA |
| Residual current off-time under I△n | ≤ 0.1s |
| Rated residual making and breaking capacity(I△m) | 500A(In≤50A), 10In(In>50A) |
| Rated voltage (Ue) | 1P+N:230/240V~,3P+N:400/415V~ |
| Rated frequency | 50/60Hz |
| Rated breaking capacity | 4,500A |
| Rated impulse withstand voltage (1.2/50) Uimp | 4,000V |
| Dielectric test voltage at Ind. Freq.for 1 min | 2kV |
| Thermal release characteristic | (1.13-1.45) x In |
| Magnetic release characteristic | B:(3-5) x In, C:(5-10) x In, D:(10-20) x In |
| Electrical life | 4,000 Cycles |
| Mechanical life | 10,000 Cycles |
| Contact position indicator | Yes |
| Ground fault indicator | Yes |
| Protection degree | IP20 |
| Ambient temperature | -25℃ to +40℃, Max.95% humidity |
| Terminal connection type | Cable/Pin-type busbar |
| Max. terminal size for cable | 25mm2 |
| Max. tightening torque | 2.5N.m |
| Installation | Mounting on 35mm DIN rail |
| Connection | From top |

