EKM2-63M 3kA Minidisjuntor(Miniaturer Circuit Breaker)
Inquire
| Standard | IEC/EN61009-1 |
| Protection | Ground fault, Overcurrent and short circuit, Over-voltage(selectable) |
| Type of trip | Ground fault : Electronic |
| Overload and short circuit :Thermo-magnetic | |
| Type of protection (electric leakage) | AC,A |
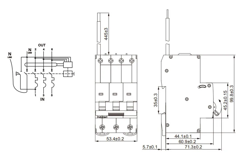
| No.of poles | 3P+N, compact 3 modules 54mm width |
| Rated voltage (Ue) | 400/415V~ |
| Rated currents (In) | 6,10,16,20,25,32,40A |
| Rated sensitivity currents (I△n) | 10,30,100,300mA |
| Residual current off-time under (I△n) | ≤ 0.1s |
| Rated residual making and breaking capacity (I△m) | 500A(In≤50A), 10In(In>50A) |
| Rated frequency | 50/60Hz |
| Rated breaking capacity | EKL37-40: 6,000A; EKL37-40H: 10,000A |
| Energy Limiting Class | 3 |
| Rated impulse withstand voltage(1.2/50) (Uimp) | 4,000V |
| Dielectric test voltage at Ind. Freq.for 1 min | 2kV |
| Thermal release characteristic | (1.13-1.45) x In |
| Magnetic release characteristic | B: (3-5) x In, C: (5-10) x In |
| Electrical life | 4,000 Cycles |
| Mechanical life | 10,000 Cycles |
| Contact position indicator | Yes |
| Protection degree | IP20 |
| Ambient temperature | -25℃ to +40℃, Max.95% humidity |
| Terminal connection type | Cable/Pin-type busbar/Fork-type busbar |
| Max.terminal size for cable | 16mm² |
| Max.tightening torque | 2.5N.m |
| Installation | Mounting on 35mm DIN rail |
| Connection | From bottom |
