Easytoinstall
●Wiring:Switchisnon-polarized,alltypesofwiringandconnectionsarepossible.
●Easyaccesswithouttools,andauxiliarycontactscanbeintegratedwithouttools.
●Theoperatingmechanismcanbecenteredtomeettheinstallationrequirements.
Safereliableoperation
●Reliablepositionindicatorthroughvisiblecontacts.
●Theopeningandclosingoftheswitchisfullyindependentfromthespeedofoperation,ensuringsafeoperationunderallconditions.
●Hightemperaturewithstand:noderatingupto70°C.
●AmbientTemperature:-40°Cto+70°C.
Designedforharshenvironments
●Vibrationtesting(from13.2to100Hzat0.7g).
●Shocktesting(15gduringthreecycles).
●Humidtemperaturetesting(2cycles,55°C/131Fwith95%humiditylevel).
●Saltmisttesting(3cycleswithhumiditystorage,40°C/104F,93%humidityaftereachcycle).
AUX.contacteasy-mounting
●SidemountPEpole
●Sidemountauxiliarycontact:P1:1NO+1NCP2:2NOP3:1NO

| No | Description | Code |
| 1 | HighvoltageDCdisconnector | EKHD |
| 2 | RatedVoltage | N:1000Vdc T:1500Vdc |
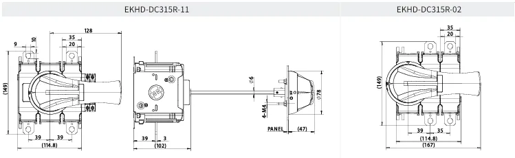
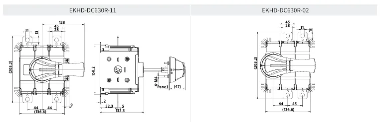
| 3 | Installationmethod | DB:Directlyoperatethehandleinthecabinet EL:Plasticenclosurebox DC:Outsidehandle ELA:Metalenclosurebox |
| 4 | Ratedcurrent | 160,250,315, 400,630,800 |
| 5 | Knoblock | R:Withlock Nils:Withoutlock |
| 6 | Polearray | 02,11,03,12,22 |
*Note: Theleftdigitrepresentsthenumberontheleftsideoftheoperatingmechanism, andtherightdigitrepresentsthenumberon therightsideoftheoperatingmechanism

*Note:Accesories
|
Ratedcurrent(Ie) |
160A |
250A |
315A |
315H |
400A |
630A |
800A |
|
Framesize |
EKHD-315 |
EKHD-630 |
|||||
|
Thermalcurrent(Ith) |
160 |
250 |
315 |
400 |
400 |
630 |
800 |
|
Ratedinsulationvoltage(Ui) |
1500 |
1500 |
1500 |
1500 |
1500 |
1500 |
1500 |
|
RatedimpulsewithstandvoltageUimp(KV) |
12 |
12 |
12 |
12 |
12 |
12 |
12 |
|
Code |
Numberofpoles |
Ratedvoltage |
Utilisationcategory |
Ie(A) |
Ie(A) |
Ie(A) |
Ie(A) |
Ie(A) |
Ie(A) |
Ie(A) |
|
|
EKHDN |
2P(1P+,1P-) |
4P(2P+,2P-) |
1000VDC |
DC-PV1/DC-21B |
160 |
250 |
315 |
400 |
400 |
630 |
800 |
|
EKHDT |
2P(1P+,1P-) |
4P(2P+,2P-) |
1500VDC |
DC-PV1/DC-21B |
160 |
250 |
315 |
400 |
400 |
630 |
800 |
|
EKHDT |
3P(1P+,1P-) |
6P(4P+,2P-) |
1500VDC |
DC-PV1/DC-21B |
– |
– |
– |
– |
– |
– |
– |
|
|
Numberofpoles |
Ratedvoltage |
Utilisationcategory |
Ie(A) |
Ie(A) |
Ie(A) |
Ie(A) |
Ie(A) |
Ie(A) |
Ie(A) |
|
|
EKHDN |
2P(1P+,1P-) |
4P(2P+,2P-) |
1000VDC |
DC-PV2 |
160 |
250 |
315 |
– |
400 |
630 |
800 |
|
EKHDT |
2P(1P+,1P-) |
4P(2P+,2P-) |
1500VDC |
DC-PV2 |
100 |
160 |
250 |
– |
400 |
630 |
800 |
|
EKHDT |
3P(1P+,1P-) |
6P(2P+,2P-) |
1500VDC |
DC-PV2 |
– |
– |
315 |
– |
– |
– |
– |
|
Theshort-circuitcapacityisbetween1000and1500VDC(noprotection) |
|
|
|
|
|
|
|
|
|
Ratedshorttimewithstandcurrentlcw1s(kAeff) |
Icw |
5 |
5 |
5 |
5 |
8 |
8 |
8 |
|
Ratedshort-circuitmakingcapacitylcm(kApeak)-60ms |
Icm |
10 |
10 |
10 |
10 |
10 |
10 |
10 |
|
Cable |
|
|
|
|
|
|
|
|
|
RecommendedCurigidcablecrosssection(mm) |
70 |
120 |
185 |
185 |
240 |
2×185 |
2×240 |
|
|
RecommendedCubusbarwidth(mm) |
20 |
20 |
20 |
20 |
25 |
25 |
25 |
|
|
Mechanicalcharacteristics |
|
|
|
|
|
|
|
|
|
Durability(numberofoperatingcycles) |
8000 |
8000 |
8000 |
8000 |
8000 |
8000 |
8000 |
|
|
Numberofcyclesofoperationwithcurrent |
1000 |
1000 |
1000 |
1000 |
1000 |
1000 |
1000 |
|











